Гидравлический расчет фильтра опытного

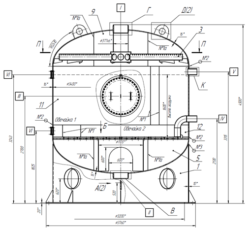
Выполнен гидравлический расчет фильра опытного ФСД БОУ для объекта блочной обессоливающей установки энергоблоков №1-4 АЭС «АККУЮ»


Фильтр должен соответствовать техническим требованиям следующих норм и правил:

  • НП-001-97 (ОПБ 88/97) «Общие положения обеспечения безопасности атомных станций»;
  • ПНАЭ Г-7-008-89 «Правила устройства и безопасной эксплуатации оборудования и трубопроводов атомных энергетических установок»;
  • НП-031-01 «Нормы проектирования сейсмостойких атомных станций»;
  • НП-071-06 «Правила оценки соответствия оборудования, комплектующих, материалов и полуфабрикатов, поставляемых на объекты использования атомной энергии»;
  • СП АС-03 «Санитарные правила проектирования и эксплуатации атомных станций».


Расчёт включает определение перепада давления фильтра без фильтрующей загрузки и условий эксплуатации в соответствии с техническими характеристиками фильтра.

Расчёт выполнен с применением следующих нормативных доку­мен­тов и справочных данных:


  • Идельчик И.Е. Справочник по гидравлическим сопротивлениям. Под ред. М.О. Штейнберга;
  • Уонг Х. Основные формулы и данные по теплообмену для инженеров: Пер. с англ. / Справочник;
  • СП 124.13330.2012 «Тепловые сети. Актуализированная редакция СНиП 41-02-2003»;
  • Водоподготовительное оборудование. Гидравлический расчет сборно-распределительных трубчатых устройств водоподготовительных фильтров. Научно-исследовательский институт информации по тяжелому, энергетическому и транспортному машиностроению;
  • ГОСТ 34437-2018 «Арматура трубопроводная. Методика экспериментального определения гидравлических и кавитационных характеристик»;
  • СТ ЦКБА 029-2006 «Арматура трубопроводная. Методика экспериментального определения гидравлических и кавитационных характеристик».

По результатам расчета гидравлическое сопротивление фильтра не превышает допустимого значения 0,1 МПа.


Удалить товар

Вы точно хотите удалить выбранный товар? Отменить данное действие будет невозможно.